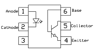
مشخصات آیسی CNY17-1
CNY17-1 یک **اپتوکوپلر (Optocoupler)** با خروجی ترانزیستور NPN است که برای ایزولاسیون الکتریکی بین ورودی و خروجی استفاده میشود.
نسخه "-1" دارای **CTR پایینتر** نسبت به مدلهای -2 ، -3 و -4 است و مناسب برای کاربردهای سوئیچینگ و انتقال سیگنالهای دیجیتال میباشد.
پکیج: DIP-6
نوع نصب روی برد: Through Hole
Function: Optocoupler / Phototransistor Output
Logic Type: Linear / Switching Isolation
ولتاژ معکوس LED (VR): حدود 6V
جریان مستقیم LED (IF): 10mA (معمولی) – حداکثر 60mA
ولتاژ کلکتور–امیتر خروجی (VCEO): 70V
CTR (Current Transfer Ratio): بین 40% تا 80% در IF = 10mA
ولتاژ اشباع خروجی (VCE(sat)): حدود 0.2 تا 0.3V
زمان پاسخ: حدود 10µs تا 20µs
ولتاژ ایزولاسیون: حدود 5000Vrms
دمای کاری: -55°C تا +100°C
ویژگیهای عملکردی:
- ایزولاسیون نوری مطمئن بین مدار ورودی و خروجی
- CTR کم مناسب برای کاربردهای سرعتبالا
- خروجی ترانزیستور NPN قابل استفاده در حالت سوئیچ یا خطی
- حفاظت از مدار در برابر نویز، ولتاژهای خطرناک و تداخل
کاربردها:
- ایزولاسیون میکروکنترلر از بخش قدرت
- منابع تغذیه سوئیچینگ
- انتقال سیگنال در محیطهای نویزی
- درایو رله، ترایاک یا ترانزیستورهای قدرت
- سیستمهای کنترلی و صنعتی
شکیبا باشید ...
