مشخصات 4015
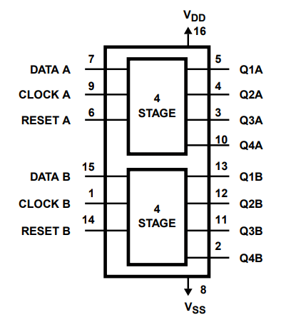
4015 یک آیسی منطقی از خانواده CMOS میباشد که شامل دو شیفترجیستر 4 بیتی (Serial-In/Parallel-Out) است. ویژگیهای فنی براساس دیتاشیت به شرح زیر میباشد:
• پکیج: DIP-16
• نوع نصب روی برد: Through Hole
• Function: Dual 4-Bit Static Shift Register (Serial-In/Parallel-Out)
• Logic Type: CMOS 4000 Series
• ولتاژ تغذیه: 3V تا 15V (نامی 5V یا 10V یا 15V)
• زمان تاخیر انتشار: حدود 200 نانوثانیه در 5V
• نوع خروجی: Push-Pull (CMOS Standard Output)
• دمای کاری: −55°C تا +125°C
• تعداد ورودی: 1 ورودی سریال برای هر شیفترجیستر (مجموعاً 2 ورودی سریال)
• تعداد خروجی: 4 خروجی موازی برای هر رجیستر (مجموعاً 8 خروجی)
• تعداد مدارها: دو شیفترجیستر 4 بیتی
شکیبا باشید ...
